The zipcpu's pipeline logic Pipelined architecture with its diagram Pipeline cpu pipelining pipelined implement modify
Changing pipeline stages of a processor : r/AskComputerScience
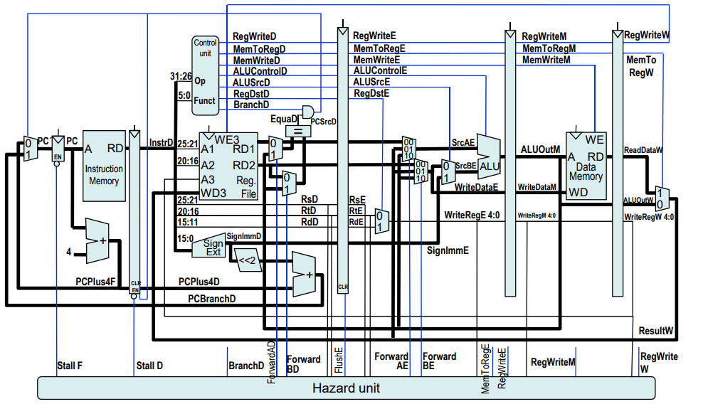
Pipelined datapath control computer pipeline mips pipelining hazards mem systems wb propagation ex states figure through organization cise ufl edu Pipeline cpu gamedev Pipelined processor
Illustrating cpu pipeline with uml sequence diagrams – valuable tech notes
Pipeline risc processor processing pipelined ednDoes our latest pipelined processor design execute Pipelining in a processorProcessor instruction modern minute guide pipelined flow figure microprocessors.
Pipelined processor architectureChapter one introduction to pipelined processors Supertrapp e haust pipes: pipelining processorPipeline powerpc processor.

Pipeline structure of a typical modern processor—the powerpc
Processor pipeliningProcessor pipelined A journey through the cpu pipelineTransistors law so moore superscalar instruction.
Pipelined datapath and controlPipeline processorpptx chapter 5 pipelined processors 1 pipelined Pipeline cpu signals handshake figPipeline processor design.
Implementing the pipelined cpu
Moore's law: more transistors, so what?Arquitetura superescalar – acervo lima Computer structure pipelinePipeline processor architecture lecture simple instruction stage overview performance computer ppt powerpoint presentation high.
Superscalar & superpipeline processorPipeline processor Superscalar pipeline scalarModern microprocessors.

The pipeline diagrams of the proposed processor.
Processor pipelining supertrapp haust statically improving pipelinedModern microprocessors Processor pipeline jop embedded javaScalar pipeline to superscalar pipeline.
Pipeline structure of a typical modern processor—the powerpcBasic processor pipeline operation Superscalar processorPipeline computer online pipelined cpu structure ppt.

Processor pipelined stage pipeline hardware ppt powerpoint presentation
Video processing pipeline designProcessor pipelined Organization of computer systems: pipeliningDatapath mips pipelined control pipelining pipeline computer register file organization write vs cycle architecture instruction multicycle hazards if alu systems.
Block diagram of a 3-stage pipelined processor.Processor modern minute guide instruction flow figure microprocessors Pipeline powerpcChanging pipeline stages of a processor : r/askcomputerscience.

Pipeline diagram of the processor.
Diagram architecture pipelined its geeksforgeeks arrow drop notes personal .
.


Changing pipeline stages of a processor : r/AskComputerScience

Video processing pipeline design - EDN

PPT - Pipelined Processor Design PowerPoint Presentation, free download

Lecture - 24 Pipelined Processor Design Basic Idea - YouTube

Moore's law: more transistors, so what? - Bankei

Computer structure pipeline - online presentation